旋乐吧spin8

SD93F115B-D

Flash

120k

120k

SRAM

8k

8k

ADC ENOB

19.5bits@15.2sps|*|Gain=128

19.5bits@15.2sps|*|Gain=128

LCD

44SEG*4COM

44SEG*4COM

通讯口

2 UART, 1 I²C, 1SPI

2 UART, 1 I²C, 1SPI
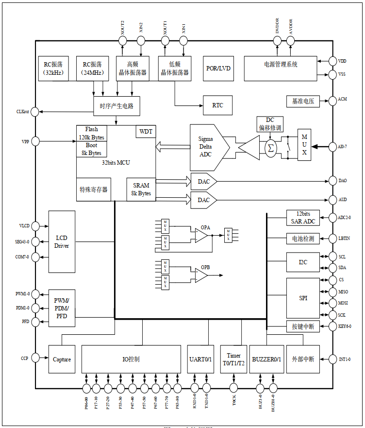
芯片描述

  芯片是带有LCD驱动和24位高精度ADC的32位MCU的SOC产品,提供120KB Flash空间用于存储用户程序。

  本芯片为32位的系统芯片,可以字节、半字(16位)、全字(32位)访问,系统时钟上电默认为12MHz,可通过寄存器配置选择不同的时钟作为系统时钟,最高可配置为24MHz。

        本芯片提供四种工作模式,让用户可以在工作效率和能量消耗方面得到最佳选择,四种模式分别是:正常工作模式、待机(WAIT)模式、休眠(DOZE)模式和深度休眠(STOP)模式。


芯片特点
  • 高精度ADC,18bits@8sps (Gain = 256),4个差分通道或者8个单端通道

  • 低噪声高输入阻抗前置放大器,1、2、4、8、16、32、64、128和256倍增益可选, 带offset校正功能

  • 32bits MCU(24MHz max),120k Bytes FLASH,8k Bytes Boot,8k Bytes SRAM

  • 内置高频RC振荡器,24MHz,校准后精度可达±1%

  • 内置低频RC振荡器,32kHz

  • 可支持高频晶体振荡器,8~24MHz

  • 支持低频晶体振荡器,32.768kHz

  • 带 RTC 模块,可以计算年、月、星期、日、时、分和秒,可以自动进行闰年计算

  • 支持LCD驱动,支持两种显示波形,4COM x 44SEG、5COM x 43SEG、6COM x 42SEG 和8COM x 40SEG四种模式,驱动电压2.7~5.2V可选

  • 内置12bits SAR ADC,3个单端通道,1ksps(电池测量精确度0.2V以上,考虑2M 分压电阻的输入阻抗问题)

  • 内置传感器激励输出,输出电压可选,2.4V、2.7V、3.0V、3.3V、3.6V、3.9V、4.2V、4.5V

  • 内置开短路探测电流(Burnout Detect Current Source)

  • 输出1.2V基准

  • 内置DAC_AUD_12bit用于语音播报

  • 内置温度传感器,可以单点校正,支持自动正反测

  • 内置低压检测电路,检测电压范围2.0~5.3V

  • 内置最多2路UART通信接口,待机时RXD0/RXD1下降沿自动唤醒MCU

  • 内置1路I2C通信接口

  • 内置1路SPI通信接口

  • 内置2路独立16bits PWM输出

  • 内置1路捕捉输入口CCP

  • 内置16bits Timer0/1/2,用于定时中断等

  • 内置蜂鸣器输出驱动,驱动的时钟和频率可设置

  • 2个外部中断,INT1~0

  • 7个按键中断,KEY6~0

  • 工作电压范围:2.4~5.5V

  • 典型工作电流:400μA/MIPS@3.3V,休眠电流25μA,待机状态下加RTC尽量做到低于30μA

  •  工作温度范围:-40~85℃

芯片框图
应用领域

血压计

血糖仪

红外测温

衡器

产品搜索

样片申请
及购买




请填写真实有效的邮箱地址!